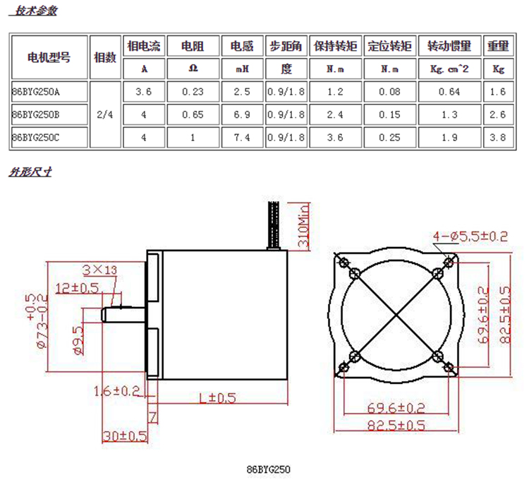
YH-120-86BYG系列步进电机



步进电动机驱动器是一种将脉冲信号变换成相应的角位移(或线位移)的电磁装置,是一种特殊的电动机。一般电动机都是连续转动的,而步进电动机则有定位和运转两种基本状态,当有脉冲输入肘步进电动机一步一步地转动,每给它一个脉冲信号,它就转过一定的角度。步进电动机的角位移量和输入脉冲的个数严格成正比,在时间上与输入脉冲同步,因此只要控制输入脉冲的数量、频率及电动机绕组通电的相序,便可获得所需的转角、转速及转动方向。在没有脉冲输入时,在绕组电源的激励下气隙磁场能使转子保持原有位置处于定位状态。
在电动机定子上有a、b、c三对磁极,磁极上绕有线圈,分别称之为a相、b相和c相,而转子则是一个带齿的铁心,这种步进电动机称之为三相步进电动机。如果在线圈中通以直流电,就会产生磁场,当a、b、c三个磁极的线圈依次轮流通电,则a、b、c三对磁极就依次轮流产生磁场吸引转子转动。
1、可以用数字信号直接进行开环控制,整个系统简单廉价。
2、位移与输入脉冲信号数相对应,步距误差不长期积累,可以组成结构较为简单又具有一定精度的开环控制系统,也可在要求更高精度的组成闭环控制系统。
3、无刷,电动机本体部件少,可靠性高。
4、易于起动,停止,正反转及速度响应性好。
5、停止时可有自锁能力。
6、步距角可在大范围内选择,在小步距情况下,通常可以在超低转速下高转距稳定运行,通常可以不经减速器直接驱动负载。
7、速度可在相当宽范围内平滑调节,同时用一台控制器控制几台步进电动机可使它们完全同步运行。
8、步进电动机带惯性负载能力较差。
9、由于存在失步和共振,步进电机的加减速方法根据利用状态的不同而复杂化。
10、需要专用的伺服控制器控制,不能直接使用普通的交直流电源驱动。








